A guide to repairing "jumpy" mouse problems in Amigas
The first thing to do is to try a known working mouse, but if problems persist, it's time to look further.
If there is no mouse/joystick operation, check there is 5V present at pins 7 of both mouse and joystick connectors while the computer is powered on. If there
is no 5V supply present, check the supply fusing is intact. In most Amiga models this supply is via a low value resistor, usually 4.7 Ohms, or a non-resettable
fuse link which may need to be replaced. In the A4000D the supply is via the +5V_USER polyswitch fuse F175 (behind the A4000D parallel port) and FB975 which
should also be checked for an open circuit condition.
Jumpy/erratic mouse pointer can be a common problem in the A4000D, particularly following severe motherboard corrosion from leaking real time clock batteries.
Please refer to the other articles for replacing the RTC battery and repairing the RTC circuit.
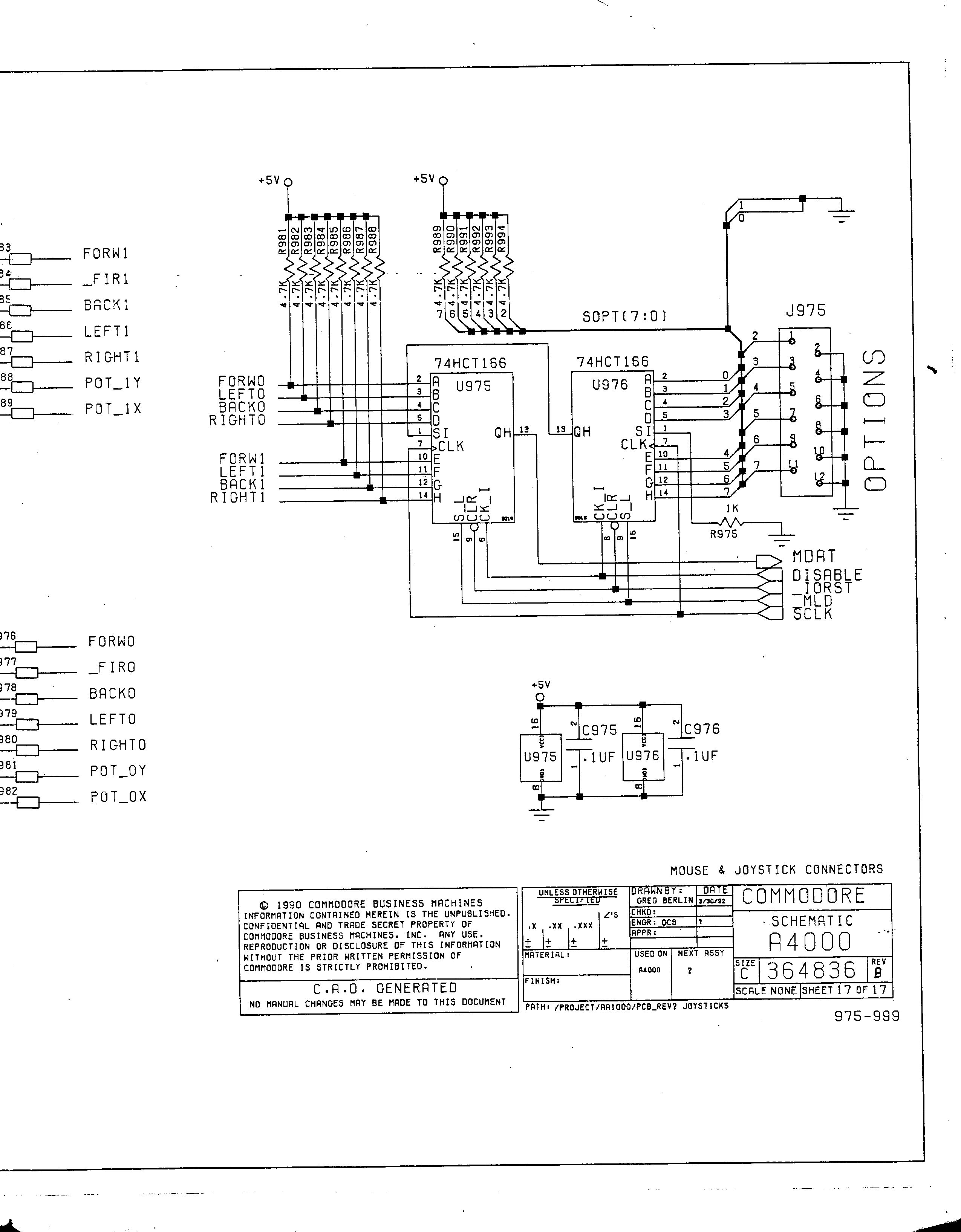
Corrosion from the battery can also affect U975, which is a 74HCT166 serial shift register used for clocking data in from the joystick and mouse ports. For more information on this device, see
this datasheet.
Click on the above image for a detailed view of the schematic section.
The solution is often to replace U975. If the device has been visibly corroded by a leaking real time clock battery, then
both U975 and U976 should be replaced at the same time as both could develop future issues as a result of the corrosion. They're also both the same type of part.
Refer to the guide on replacing SOIC devices to see how to correctly remove and replace an SOIC (such as U975) using surface mount soldering techniques.
Note: With A4000s which do not have AGA screenmodes available after Setpatch is run, this is often caused by corrosion damage to U976.
Bits 0 and 1 (pins 2 and 3) are tied to ground, the system polls this shift register during boot and these bits tell the software that the hardware supports AGA screenmodes. If U976
cannot be correctly read, the A4000 will only have ECS screenmodes available after booting. Replacing U976 and repairing corrosion damage around it commonly fixes this "no AGA modes" issue.
Replacement 74HCT166 serial shift registers can be obtained from:
element14 (formerly Farnell), part number 163-1653
Or by emailing me with a request, as I keep a small stock. Component availability listed here.
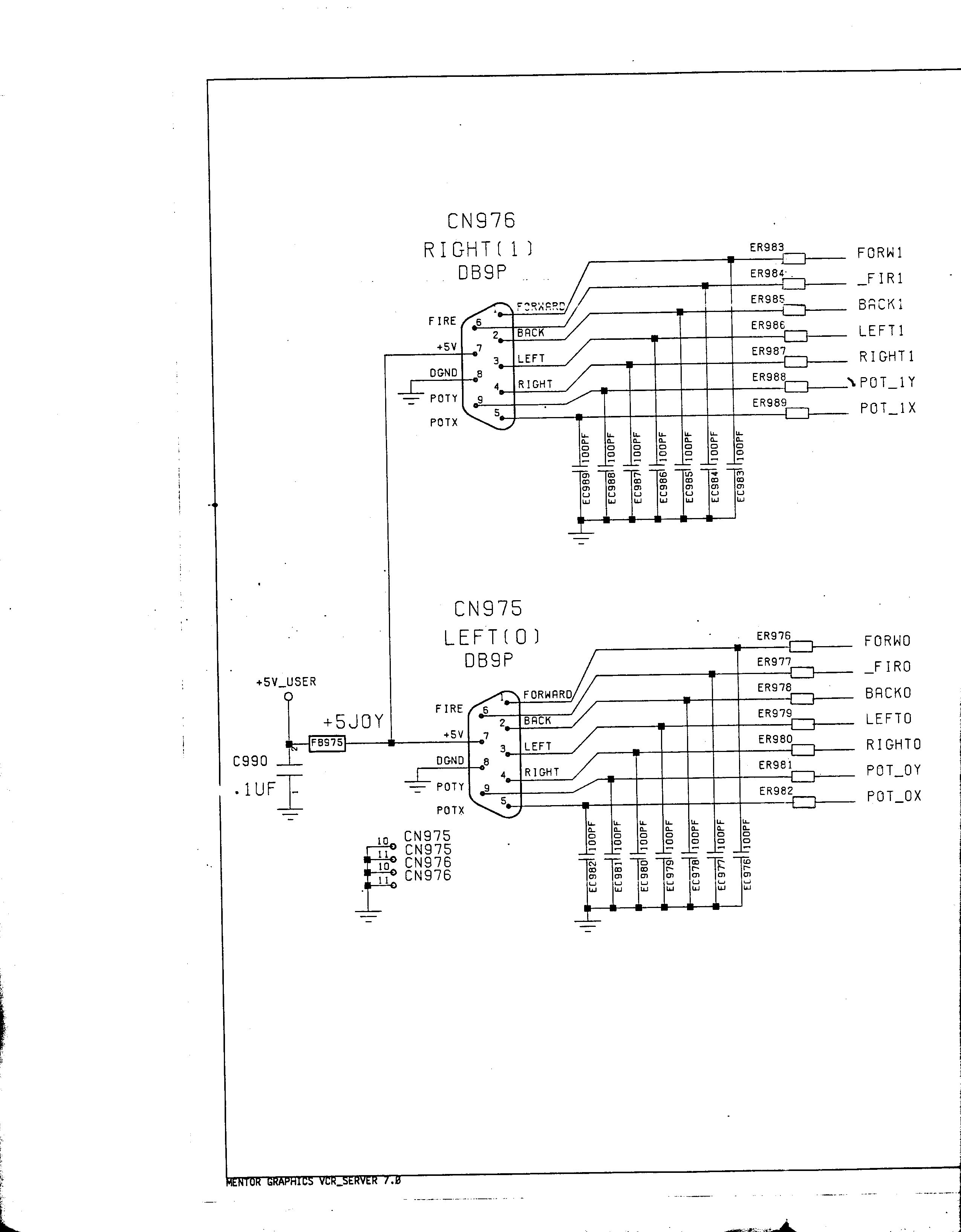
Other problems can be related to the surface mount EMC filters (ER976 - ER982), which are inductors and therefore appear as a DC short circuit, can crack causing an open circuit or intermittent connections with one or more
mouse signal lines. This often causes no mouse/joystick movement in one direction.
The circuit can be checked using an ohm meter to check electrical continuity from the mouse port pins, through to the device which the signals run to (E.G. U975 in the A4000D).
Refer to the full A4000D schematic part 1 and part 2 for connector pinouts, etc.
Different Amiga models use different techniques for the physical input of mouse and joystick signals, but most use some form of shift register or data switch/multiplexer.
Note that the left mouse button (fire) signal on pin 6 of the D-range connectors is handled by one of the CIAs (U350 in the A4000D), while the right mouse button (fire 2 or paddle Y) on pin 9 is a
0-5V analogue input, handled directly by Paula (U400 in A4000D).
The 3rd mouse button input (paddle X) on pin 5 is another 0-5V analogue input, handled directly by Paula (U400 in A4000D).
Full pinout of the Amiga mouse/joystick port here.
Refer to the schematics section for detailed information on your model.
